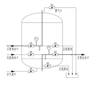
多介質過濾器內部結構
多介質過濾器的結構是由過濾器罐體和濾料組成。
過濾器罐體材質分為碳鋼材質,不銹鋼材質以及碳鋼襯膠材質等不同類型。
多介質過濾器根據產水要求工藝設計有簡單,也可復雜,不同的設計工藝具有不同的設計環節。

多介質過濾器內部結構圖
多介質過濾器平面圖

多介質過濾器剖面圖

多介質過濾器廠家一般在設計多介質過濾器時,會根據產水要求來設計罐體尺寸,濾料厚度,很多時候,為了滿足復雜的工藝需求,還會在多介質過濾器安裝自動控制裝置,滿足系統自動運行要求。
本文由水天藍環保(http://m.pzh18.com/)原創首發,轉載請以鏈接形式標明本文地址或注明文章出處!



客服1